


清空記錄
歷史記錄
取消
清空記錄
歷史記錄



CGA(Compressed Gas Association,美國壓縮氣體協會)330標準是專門針對腐蝕性壓縮氣體設計的氣瓶接口標準,廣泛應用于半導體電子級氣體、工業腐蝕性氣體等場景,核心用于規范接頭、閥門及螺紋的尺寸、材質、密封等關鍵參數,保障氣體傳輸的安全性與密封性。
CGA330閥門是適配CGA330接頭的專用腐蝕性氣體氣瓶閥,核心用于控制腐蝕性氣體的開啟、關閉與壓力調節,規格需與接頭、氣瓶及使用場景匹配,核心規格如下:

壓力規格:最大入口壓力常見為3000 psig(約20680 kPa),部分高端型號可達到3500 psig(約24130 kPa);出口壓力可根據需求調節,常見范圍為22 psig、90 psig、125 psig、150 psig等,適配不同使用場景的壓力需求。
泄漏等級:氦泄漏完整性評級≥99.5%,高純度場景可達到99.9999%,泄漏率≤1.00×10-8cc/sec(部分型號可達到1.00×10-9cc/sec),確保無腐蝕性氣體泄漏。
流量控制:閥門本體設計適配腐蝕性氣體特性,無額外流量控制功能,需搭配氣體調節器使用,避免流量波動影響使用安全與精度。
主體材質:與接頭材質匹配,以316L不銹鋼為主,部分型號采用鍍鎳316L不銹鋼、鍍鉻316L不銹鋼,提升耐腐蝕性與表面光潔度;閥膜材質為316L不銹鋼,避免與腐蝕性氣體發生反應,確保閥門使用壽命與密封性能。
接口規格:出口接口需與CGA330接頭匹配,常見為1/4"NPT內螺紋、1/4"管接接口,部分型號為1/8"管接接口,確保與管路的順暢連接。
閥門配套附件需適配腐蝕性氣體場景,核心附件規格如下:
防塵帽:材質包括黃銅、鍍鎳黃銅、303不銹鋼,部分配備聚四氟乙烯(PTFE)或鈣填充聚四氟乙烯圓盤,厚度約0.54英寸,六角尺寸約1英寸,外徑約1.25英寸,用于閥門出口防塵、防腐蝕;
密封件:與接頭密封墊材質一致,為PCTFE、PTFE或Ni材質,確保閥門與接頭連接后的密封性;
操作部件:閥門手柄適配人體工學設計,部分型號可配備豬尾手柄,便于便捷開啟與關閉。
CGA330接頭標準由美國壓縮氣體協會制定,核心定位為腐蝕性氣體專用接口標準,適用于多種高腐蝕性氣體的氣瓶與調節器、管路的連接,其核心標準要求如下:
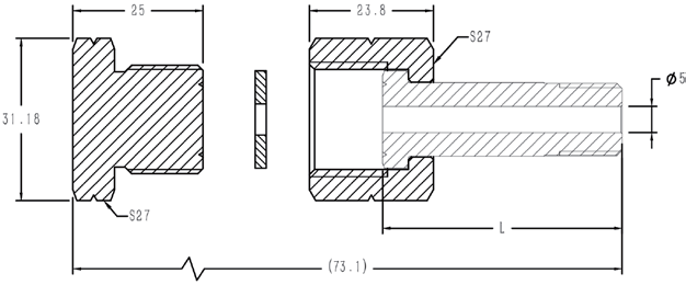
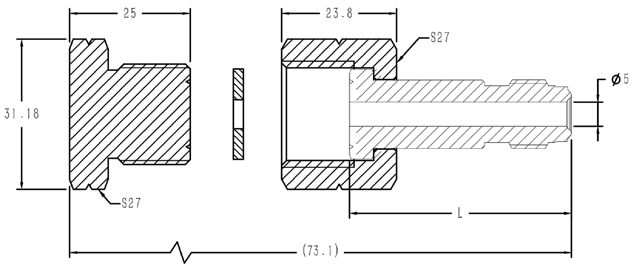
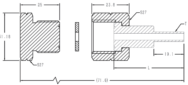
![]() | ![]() | ![]() |
| CGA330-NPT接頭 | CGA330-BW接頭 | CGA330-MWCR接頭 |
主要適配各類腐蝕性氣體,包括但不限于:氟化銻、三氟化硼、羰基硫、氯化氘、硫化氫、溴甲烷、三氟化氮、亞硝酰氯、五氟化磷、四氟化硅、四氟化硫等,同時也可用于一氧化二氮等特定氣體(壓力不超過3000 psig)的傳輸場景。
設計標準:嚴格遵循CGA協會規范,所有接頭需經精密機械加工,確保尺寸精度與互換性,適配全范圍腐蝕性氣體的使用需求,安裝便捷且密封可靠。
潔凈度要求:內部需進行鈍化處理或電解拋光(EP)工藝,精加工后光潔度≤0.4μm,電解拋光后光潔度可達到≤0.2μm,出廠前需在Class 100潔凈室進行全檢,并采用雙層塑料包裝,避免污染,適配半導體電子級氣體場景。
安全要求:接頭需具備優異的耐腐蝕性能和氦泄漏完整性,泄漏率需達到1.00×10-8 cc/sec及以上(高純度場景),防止腐蝕性氣體泄漏造成設備損壞或安全隱患。
適配場景:主要用于高純度腐蝕性氣體調節器的入口連接,常見于氣體色譜、汽車尾氣監測、半導體制造等對氣體純度和密封性要求極高的領域。
CGA330接頭規格圍繞連接方式、材質、尺寸、密封等關鍵參數劃分,不同規格適配不同管路與設備需求,核心規格如下:
接頭以陰螺紋(母接頭)為核心連接類型,端接規格多樣,適配不同管路接口,常見類型包括:
管接型(BW):1/4"BW、3/8"BW、1/2"BW,適配對應規格的管路焊接連接;
螺紋型(NPT):1/4"NPT(內螺紋),常用于常規管路螺紋連接;
卡套型(VCR):1/4"VCR、1/2"VCR,適配高潔凈度場景的卡套連接;
管焊型(TS):1/4"、3/8"、1/2"管焊接口,適配 orbital 管焊連接,常見于高純度氣體傳輸管路。
因適配腐蝕性氣體,材質須具備優異的耐腐蝕性,核心材質及相關要求如下:
主體材質:以316L不銹鋼為主,部分場景可選用303不銹鋼、鎳200、哈氏合金C-22、蒙乃爾R405等特殊耐腐蝕材質;
表面處理:可根據需求進行電解拋光(EP)、鈍化處理,部分產品采用鍍鉻、鍍鎳處理,提升耐腐蝕性與潔凈度;
密封墊材質:專用耐腐蝕密封墊,常見材質為PCTFE(聚三氟氯乙烯)、PVDF(聚偏氟乙烯)、PTFE(聚四氟乙烯)或鎳(Ni),確保密封性能的同時抵御氣體腐蝕,部分密封墊可填充鈣增強密封性。
CGA330螺紋是專門為腐蝕性氣體接口設計的專用螺紋,核心作用是確保接頭與閥門、氣瓶的緊密連接,防止氣體泄漏,其標準嚴格遵循CGA協會規范,核心參數如下:
螺紋標準:采用NGO螺紋標準,具體規格為0.825英寸-14 NGO(部分資料標注為0.83 in-14 NGO),屬于細牙螺紋,螺紋牙型角為60°,適配腐蝕性氣體的密封需求。
螺紋方向:左旋(LH),這是CGA330螺紋的核心標識之一,用于區分其他類型的CGA螺紋(如CGA326為右旋),避免誤裝導致泄漏風險,其中氣瓶閥出口為左旋陽螺紋,接頭螺母為左旋陰螺紋,二者配套使用。
螺紋結構:氣瓶閥出口為外螺紋(陽螺紋),接頭螺母為內螺紋(陰螺紋),螺紋表面需進行精密加工,確保螺紋貼合度,配合密封墊實現雙重密封,提升密封性與耐腐蝕性;接頭奶嘴分為扁平型(flat nipple),區別于其他CGA規格的圓形奶嘴設計。
精度要求:螺紋加工精度需符合CGA標準,無毛刺、無劃痕,螺紋牙型完整,確保連接后的同心度與貼合度,避免因螺紋精度不足導致的泄漏;
安裝要求:安裝時需確保螺紋清潔無雜質,搭配專用耐腐蝕密封墊,按照規定扭矩擰緊,避免過緊損壞螺紋或密封墊,過松導致氣體泄漏;禁止混用左旋與右旋螺紋,禁止與其他CGA規格螺紋(如CGA326、CGA346)混用,二者螺紋參數存在差異,無法兼容。
兼容性:CGA330接頭、閥門、螺紋僅適用于CGA330標準場景,不可與其他CGA規格(如CGA320、CGA350)混用,不同規格的螺紋、尺寸、適配氣體均存在差異,混用會導致泄漏風險;
維護要求:使用過程中需定期檢查接頭、閥門的腐蝕情況與密封性能,發現密封墊老化、螺紋損壞、部件腐蝕等問題需及時更換,避免腐蝕性氣體泄漏;
定制化需求:可根據具體使用場景(如更高潔凈度、更高壓力、特殊腐蝕性氣體),定制材質、尺寸、表面處理方式不同的CGA330接頭與閥門,如采用哈氏合金材質、更高精度的電解拋光處理等。
相關新聞

