


清空記錄
歷史記錄
取消
清空記錄
歷史記錄





| 減壓閥 | RBF10減壓閥 |
| 進口壓力 | 對應進口側高壓最大 24.1MPa |
| 出口壓力 | 對應出口側高壓0.7MPa |
| 最大工作壓力 | 241bar |
| 可調壓范圍 | 0.07-7bar |
| 流量范圍 | 標準規格 :<30s lpm HF 規格 ( 可選項 ):<120s lpm |
| 流量系數 | Cv=0.09 |
| 閥門通徑 | 7mm |
| 內部泄漏率 | 真空法內漏 1×10-9mbar·l/sec |
| 外部泄漏率 | 真空法外漏 1×10-9mbar·l/sec |
| 安裝方式 | 底面安裝 ( 可選項 : 面板安裝 ) |
| 內部容積 | 8cm3 |
| 溫度 | -40-71°C |
| 閥體 | SUS316L |
| 密封座 | PCTFE/PI |
| 膜片 | SUS316L/Hastelloy |
| 閥桿 | SUS316L/Hastelloy |
| 適用介質 | 316L+PCTFE密封:一般惰性氣體 赫氏合金 (Hastelloy):腐蝕性氣體 |
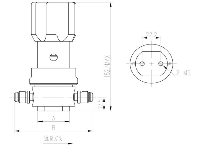
配管連接方式 | A(mm) |
FV4 |
94.0 |
MV4 | |
TW4 | 75.2 |
FV6 |
119.4 |
MV6 | |
TW6 | 75.2 |
規格型號 | 設定壓力范圍 | 進口側壓力范圍 |
RBF1001 | 0.007~0.07Mpa | 真空 ~2. 1Mpa |
RBF1002 | 0.007~0.2Mpa | 真空 ~24. 1Mpa |
RBF1006 | 0.014~0.4Mpa | 真空 ~24.1Mpa |
RBF1010 | 0.014~0.7Mpa | 真空 ~24.1Mpa |
RBF1015 | 0.034~1.0Mpa | 真空 ~24.1Mpa |
產品特性
1 整體的外形體積較小,便于緊湊布置
2 閥體材料使用 SS316L VAR 二次重熔材料,可以耐 3500pisg(241bar) 的額定壓力值
3 對流體區域采用特殊的電拋光工藝,使光潔度極佳,可達到 Ra0.25 以下
4 隔膜的材質選用 Elgiloy? 或哈氏合金,具有很強的耐用性和耐腐蝕性,從而加長循環壽命
5 閥座材質選用 PCTFE 或 Vespel, 具有出色的耐化學性和耐熱性 , 在選用 Vespel 材料時,還具備抗蠕變、高強度和抗沖擊性的特點,進一步加長循環壽命
6 百級潔凈室采用特殊的清潔工藝,將空氣中的水分、氧氣和碳氫化合物的值降至最低,因此可以保障產品的潔凈度
7 所有部件均在百級潔凈室內裝配完成,可杜絕污染物的產生


| 減壓閥 | RBF10減壓閥 |
| 進口壓力 | 對應進口側高壓最大 24.1MPa |
| 出口壓力 | 對應出口側高壓0.7MPa |
| 最大工作壓力 | 241bar |
| 可調壓范圍 | 0.07-7bar |
| 流量范圍 | 標準規格 :<30s lpm HF 規格 ( 可選項 ):<120s lpm |
| 流量系數 | Cv=0.09 |
| 閥門通徑 | 7mm |
| 內部泄漏率 | 真空法內漏 1×10-9mbar·l/sec |
| 外部泄漏率 | 真空法外漏 1×10-9mbar·l/sec |
| 安裝方式 | 底面安裝 ( 可選項 : 面板安裝 ) |
| 內部容積 | 8cm3 |
| 溫度 | -40-71°C |
| 閥體 | SUS316L |
| 密封座 | PCTFE/PI |
| 膜片 | SUS316L/Hastelloy |
| 閥桿 | SUS316L/Hastelloy |
| 適用介質 | 316L+PCTFE密封:一般惰性氣體 赫氏合金 (Hastelloy):腐蝕性氣體 |
配管連接方式 | A(mm) |
FV4 |
94.0 |
MV4 | |
TW4 | 75.2 |
FV6 |
119.4 |
MV6 | |
TW6 | 75.2 |
規格型號 | 設定壓力范圍 | 進口側壓力范圍 |
RBF1001 | 0.007~0.07Mpa | 真空 ~2. 1Mpa |
RBF1002 | 0.007~0.2Mpa | 真空 ~24. 1Mpa |
RBF1006 | 0.014~0.4Mpa | 真空 ~24.1Mpa |
RBF1010 | 0.014~0.7Mpa | 真空 ~24.1Mpa |
RBF1015 | 0.034~1.0Mpa | 真空 ~24.1Mpa |
產品特性
1 整體的外形體積較小,便于緊湊布置
2 閥體材料使用 SS316L VAR 二次重熔材料,可以耐 3500pisg(241bar) 的額定壓力值
3 對流體區域采用特殊的電拋光工藝,使光潔度極佳,可達到 Ra0.25 以下
4 隔膜的材質選用 Elgiloy? 或哈氏合金,具有很強的耐用性和耐腐蝕性,從而加長循環壽命
5 閥座材質選用 PCTFE 或 Vespel, 具有出色的耐化學性和耐熱性 , 在選用 Vespel 材料時,還具備抗蠕變、高強度和抗沖擊性的特點,進一步加長循環壽命
6 百級潔凈室采用特殊的清潔工藝,將空氣中的水分、氧氣和碳氫化合物的值降至最低,因此可以保障產品的潔凈度
7 所有部件均在百級潔凈室內裝配完成,可杜絕污染物的產生
相關產品

